广东省惠州市F-Bw-C刺钢丝隔离栅专业生产厂家
发布日期:2025-07-23 总浏览:

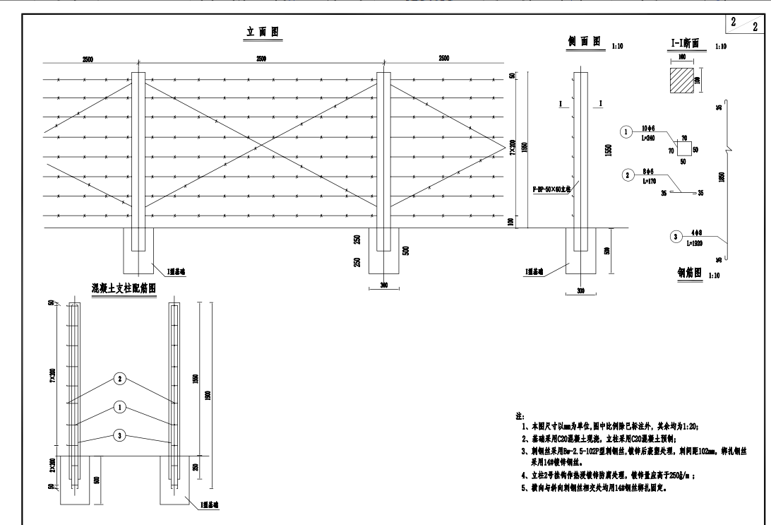
广东省惠州市F-Bw-C刺钢丝隔离栅专业生产厂家:
1、本图尺寸以mm为单位,图中比例除已标注外,其余均为1:20;
2、基础采用C20混凝土现浇,立柱采用C20混凝土预制;
3、刺钢丝采用Bw-2.5-102P型刺钢丝,镀伴后表塑处理,刺间距102mm,绑扎钢丝采用14#镀锌钢丝。
4、立柱2号挂钩作热浸镀锌防腐处理,镀锌量应高于250g/m;
5、横向与斜向刺钢丝相交处均用14#钢丝绑扎固定。

标签:
上一篇:一标施工图-南水北调隔离网生产厂家下一篇:一级公路建设钢丝网围栏生产厂家
相关资讯
- 2025-09-16出口飞机场高密金属网墙专业生产厂家
- 2025-09-16出口监狱看守所金属网墙专业生产厂家
- 2025-09-16出口热镀锌金属网墙专业生产厂家
- 2025-09-16出口国外光伏区发电站热镀锌围栏专业生产厂家
- 2025-09-16出口热镀锌围墙护栏网专业生产厂家
- 2025-09-16出口水源地保护区热镀锌涂塑双涂层护栏网专业生产厂家
- 2025-09-16出口水源地保护区钢板网护栏网专业生产厂家
- 2025-09-03新疆博尔塔拉蒙古自治州金属钢板网护栏网生产厂家
- 2025-09-03新疆博湖县景区热镀锌金属隔离栅防护网生产厂家
- 2025-09-03张家口草原治理项目热浸塑框架护栏网生产厂家
推荐产品
P
秉德产品中心
秉德产品中心
r o d u c t s
联系秉德
安平县秉德丝网制品有限公司
手机/微信:136 3328 3121
公司电话:0318-8090660
公司传真:0318-8090660
公司地址:河北安平县丝网工业园东区






